PCB Matrix IPC LP Calculator(PCB封装计算器)是一款pcb设计所需的红钻也计算器,功能强大且使用方便,完全免费,欢迎有需要的朋友来IT猫扑网下载。
pcb matrix ipc计算器介绍:
PCB Matrix IPC LP Calculator用于计算PCB的焊盘封装,再也不用为IC原件的封装制作发愁了!使用PCB Matrix IPC LP Calculator软件可以进行SMD器件计算、PTH计算和Connector计算等。快速、准确地设计出焊盘图形,焊盘图形符合IPC-7351标准,其命名符合IPC-7351A标准。并且可以导出所有EDA软件工具的格式。
特色功能:
1.创造,管理,和使用正确的库文档
2.规范标准的器件和库的名字
3.IPC标准的焊盘和器件设计
4.大量的PCB库文件的自动生成
使用方法:
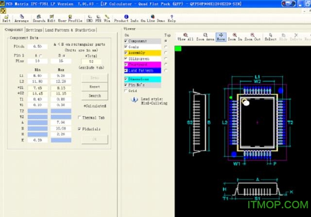
(1)SMD器件计算器
点击软件“SMD计算器”图标,进入SMD器件图形焊盘计算模式,在该模式下,列出了所有IPC-7351标准的SMD器件图形焊盘。

在实际制造器件的焊盘图形时,只要根据器件的实际类型进行选择就可以了。例如如果要制作一个QFP器件的焊盘图形,选择QFP就进入焊盘图形计算器。

首先根据器件的安装环境,设置环境变量,例如Toe、Heel、Side等参数。也可以选择IPC-7351标准中默认的Most、Nominal、Least等三种安装环境变量。

然后根据器件手册上的器件数据,例如Pin间距、Pin数、器件体尺寸、厚度、Pin跨距等参数,填入到相应的项目中,就可以自动得出器件的焊盘图形,并且该焊盘图形符合IPC-7351规范要求,这就保证的焊盘图形的完全正确,以及可以提高后续焊接的可靠性。同时焊盘图形还根据IPC-7351A规范自动命名。
然后使用向导,就可以导出不同软件工具格式的库文件了,并且自动根据软件工具的类型添加相应的焊盘图形层数。

下面图示为制作BGA焊盘图形的示例:
下图为BGA的器件资料。

下图为完成的BGA焊盘图形,完成只需要1分钟时间,并且保证正确。

(2)PTH计算器
点击软件“PTH计算器”图标,就进入PTH计算器模式,在该模式下可以自动计算通孔器件通孔焊盘尺寸。

在这里只要提供器件引脚的形状和尺寸,以及器件的安装环境,就可以自动得出通孔的尺寸,包括完成孔径、焊盘尺寸、阻焊尺寸、隔离焊盘、热焊盘尺寸等,并且自动命名。