99s202图集是安装室内消火栓的标准图集,所有室内消火栓安装都必须遵循这个图集标准。所有安装人员必须牢固记住99s202图集。欢迎来绿色资源网下载!
99s202图集介绍
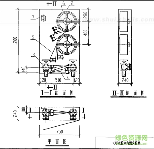
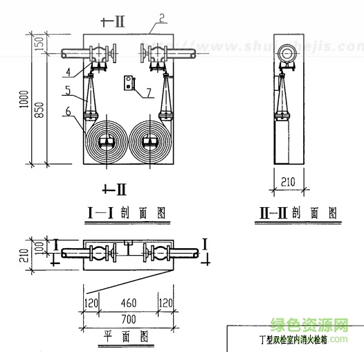
99s202《室内消火栓安装》国家建筑给水排水专业标准设计图集,是在1987年编制的《室内消火栓安装》(875163)基础上,依据现行国家标准GB14561-93《消火栓箱》由机械工业部第一设计研究院进行修编。消火栓箱体尺寸为800×650、1000×70。
99s202图集样图


使用说明
本图集为PDF格式,需要专门的pdf阅读器才能打开。如果电脑中没有安装阅读器,请先下载安装相关的PDF阅读器,安装完成后即可进行阅读。

福昕pdf阅读器(Foxit Reader) v4.3.1.0218 绿色免安装版
授权:免费软件 WinAll, WinXP大小:4.5M语言:中文
福昕pdf阅读器单文件版本也就是绿色免安装,用户只需下载即可使用,简单的文件快捷方式帮助你快速阅读pdf,需要的用户快来绿色资源网下载吧!福昕pdf阅读器介绍FoxitReader原名FoxitPDFReader,是一款免费的PDF文档
下载地址