苏j09 2004图集是江苏地区建筑墙身、楼地面变形缝的参照标准图集,由江苏省建筑设计研究院编制。本图集介绍了多种变形缝的做法,内容详细,赶快下载学习吧!
苏j09 2004图集介绍
本图集在原苏J9509的基础上修订,新增编的新型材料变形缝为该图集的推荐建筑配件图。
本图集配件有多种做法,设计人员可按工程需要选用。
选用本图集如有特殊要求(如质地、纹理、表面加工或施工安装等),设计人员应在单项工程中注明。
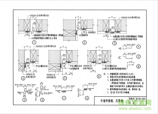
苏j09 2004图集样张



苏j09 2004图集是江苏地区建筑墙身、楼地面变形缝的参照标准图集,由江苏省建筑设计研究院编制。本图集介绍了多种变形缝的做法,内容详细,赶快下载学习吧!
本图集在原苏J9509的基础上修订,新增编的新型材料变形缝为该图集的推荐建筑配件图。
本图集配件有多种做法,设计人员可按工程需要选用。
选用本图集如有特殊要求(如质地、纹理、表面加工或施工安装等),设计人员应在单项工程中注明。


