陕09g02图集介绍了钢筋混凝土结构构造的详细情况,包括了用料、混凝土保护层、质量要求等内容。绿色资源网带来的为高清电子版,详细的图文介绍,帮助工程师进行学习。
陕09g02图集适用范围
本图集适用于抗震设防烈度为6-9度(抗震等级为特一、一、二、三、四级)的多层和高层现浇钢筋混凝土框架结构、抗震墙结构(短肢抗墙结构)和框架-抗震墙结构,以及抗震设防烈度为6-8度的现浇钢筋混凝土部分框支抗震墙结构。
本图集适用于设计使用年限为50年的上述建筑结构。
应根据具体工程设计确定的结构抗震等级,选用本图集相应的抗震结构措施。
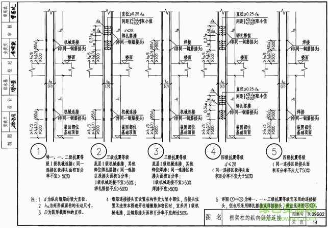
陕09g02图集样张


