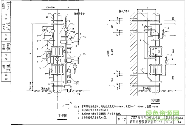
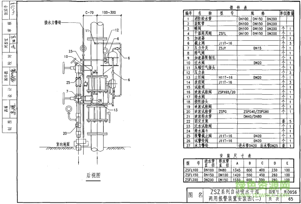
陕09s6图集是陕西地区的消防工程设计参照图集。本图集是陕西省09系列建筑图集之一,主要适用于民用建筑及普通工业建筑。快来绿色资源网下载吧!
陕09s6图集适用范围
本图集适用于室外消火栓、消防水泵接合器、室内消火栓、自动喷水灭火系统、水喷雾、蒸汽灭火、气体消防、大空间智能型主动喷水灭火装置、自动消防水炮灭火系统以及防毒救生的设计与施工安装。
本图集适用于抗震设防烈度小于等于八度的湿陷性和非湿陷性黄土地区。
本图集如用于抗震设防烈度大于等于九度的地区、常年冻土地区、膨胀土地区及可液化土地基,应根据其他有关规范和规程的规定另作处理
陕09s6图集


