新06g309图集是新疆地区建造钢筋混凝土结构抗震构造的参照标准图集,由乌鲁木齐建筑设计研究院编制。图集内容丰富,介绍条理清楚,是新疆地区的施工、设计人员必备图集之一。快来绿色资源网下载吧!
新06g309图集介绍
本构造图集适用于抗震设防烈度为6-9度的现浇混凝土结构,本图集同时编入了混凝土异性结构的内容,有关说明及详图详见69-75页。
本构造图集可用于抗震等级为特一级的情况(当本图集内未作特别标注时,特一级的构造均按一级抗震等级采用)。当采用钢骨混凝土柱或钢管混凝土柱时,应另行设计或选用有关构造图集。
本图集可与国家标准图集《混凝土结构施工图平面整体表示方法制图规则和构造详图》(03G101-1)配合使用。
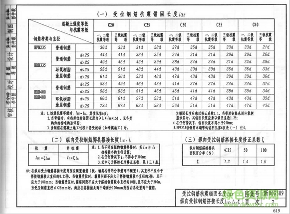
新06g309图集样张


