新06g605 1图集是新疆地区建造砌体结构构造的参照标准图集。本图集介绍了砌体结构的用料、建造要求等内容,供施工、设计人员参选。快来绿色资源网下载吧!
新06g605 1图集介绍
本图集主要适用于抗震设防烈度为6-9度的P型烧结多孔砖(简称多孔砖)或烧结普通砖(简称普通砖)砌体承重的多层房屋。
注:烧结普通砖仅在非限制使用地区使用。
本图集适用于设计使用年限不大于50年的上述砌体结构。
非抗震设防地区可参考抗震设防烈度为6度的构造选用。
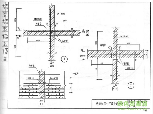
新06g605 1图集样张



新06g605 1图集是新疆地区建造砌体结构构造的参照标准图集。本图集介绍了砌体结构的用料、建造要求等内容,供施工、设计人员参选。快来绿色资源网下载吧!
本图集主要适用于抗震设防烈度为6-9度的P型烧结多孔砖(简称多孔砖)或烧结普通砖(简称普通砖)砌体承重的多层房屋。
注:烧结普通砖仅在非限制使用地区使用。
本图集适用于设计使用年限不大于50年的上述砌体结构。
非抗震设防地区可参考抗震设防烈度为6度的构造选用。


